Home > Passive vibration isolation solution > Elastomer Isolator > Rubber Isolator (Support)
Rings and Bushings
-
Rings and Bushings Overview -
OPERATION
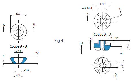
A ring assembled with the associated bushing constitutes a flexible interface and a simple solution to decrease noise and vibrations.
These supports can be installed in parallel for a greater load capacity and may also be stacked in series when greater deflection capacity is required.Bushings can be used in pairs, bushing end to bushing end, without rings for a more robust installation or where the structure thickness does not allow for a standard ring and bushing assembly.
DESCRIPTIONThese all elastomer parts are compatible with the majority of the industrial environments and have an operating temperature range of - 40°C to + 83°C.
APPLICATIONSn Office machines, motors, fans, HVAC equipment, electronics equipment, telecommunicationequipment; etc. -
Rings and Bushings Advantage +
-
Rings and Bushings Performance +
-
Rings and Bushings Specifications +

Chinese
English






Top