Home > Passive vibration isolation solution > Elastomer Isolator > Rubber Isolator (Military)
VIB LD 03 Decouping Washers
-
VIB LD 03 Decouping Washers Overview -
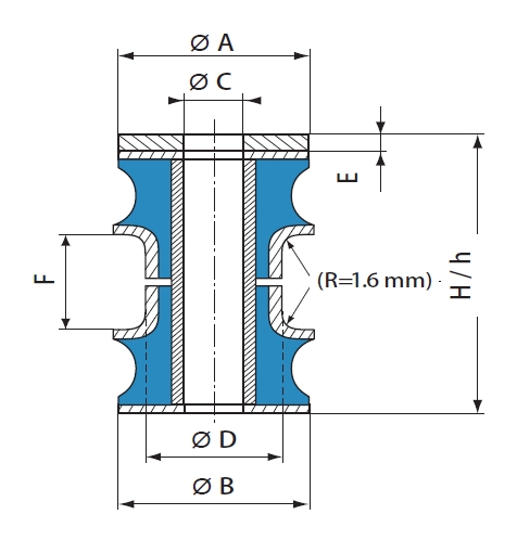
DESCRIPTIONElastomer rings for linking and positioning of equipment while maintaining acoustic discretion and protection from shocks.
A decoupling washer is composed of :➤ Two bonded elastomer washers;➤ One stainless steel anti-shock washer;➤ One stainless steel preload spacer. -
VIB LD 03 Decouping Washers Advantage +
-
VIB LD 03 Decouping Washers Performance +
-
VIB LD 03 Decouping Washers Specifications +

Chinese
English





Top