Home > Passive vibration isolation solution > Elastomer Isolator > Silicone Damping Isolator
S.L.F. MOUNTS
-
S.L.F. MOUNTS Overview -
Low frequency high deflection antivibration mount available in rubber silicone.
Natural frequency : 10 to 25 Hz
These mounts have been designed to protect low mass components and instruments from vibrationand shock and to isolate small rotating machines e.g. pumps and electric motors. -
S.L.F. MOUNTS Advantage +
-
S.L.F. MOUNTS Performance +
-
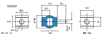
S.L.F. MOUNTS Specifications +

Chinese
English.png)
.jpg)




Top