Home > Passive vibration isolation solution > Elastomer Isolator > Coupling Isolator
JUBOFLEX WITH SEPARATE HUB
-
JUBOFLEX WITH SEPARATE HUB Overview -

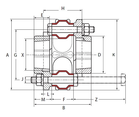
Flexible element1. Precompressed natural rubber.2. Bonded metal spacers.3. Precompression band (to be removed after installation).
Flange4. Die-cast steel specially bored to fit the separate hub.5. Universal separate hub (not supplied by PAULSTRA). -
JUBOFLEX WITH SEPARATE HUB Advantage +
-
JUBOFLEX WITH SEPARATE HUB Performance +
-
JUBOFLEX WITH SEPARATE HUB Specifications +

Chinese
English












Top