Home > Passive vibration isolation solution > Elastomer Isolator > Coupling Isolator
Juboflex Coupling
-
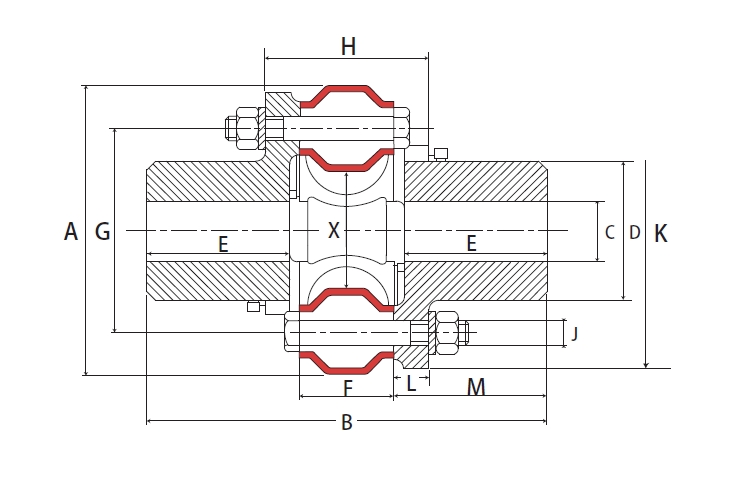
Juboflex Coupling Overview -

Flexible element1. Precompressed natural rubber.2. Bonded metal spacers.3. Precompression band (to be removed after installation).
Flange4. Die-cast steel (except 632320 which is cast-iron). -
Juboflex Coupling Advantage +
-
Juboflex Coupling Performance +
-
Juboflex Coupling Specifications +

Chinese
English







Top