本网站的其他语言选择:
选择国家,查看其他国家地区站点
Home > Passive vibration isolation solution > Elastomer Isolator > Rubber Isolator (Foot Mount)

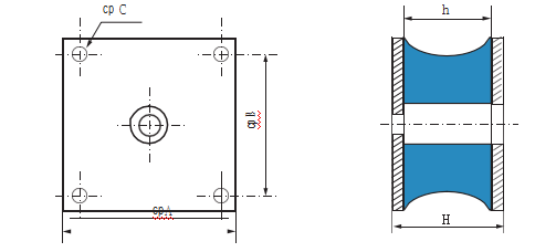
SANDWICH MOUNTS

  • SANDWICH MOUNTS Overview -


    Natural frequency : 5 to 13 Hz

    Application Scenarios:
    (1) Market: Mining
    Application: Cone Crusher


    (2) Market: Mining
    Application: Mobile screen electrical cabinet


  • SANDWICH MOUNTS Advantage +

  • SANDWICH MOUNTS Performance +

  • SANDWICH MOUNTS Specifications +

Tel
Tel: +86-512-67229265
Mail
Mail: info@thermo-test.com
Top